双列角接触球轴承-ZKLF(N)系列
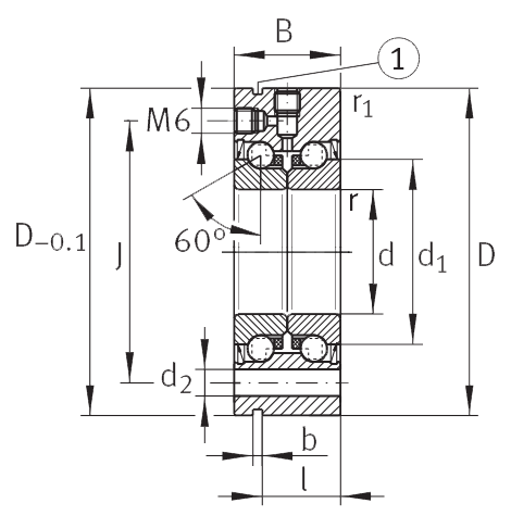
- 双列角接触球轴承是用于丝杠驱动轴承布置的精密轴承,根据不同系列,他们可以承受径向力以及一个或两个方向的轴向力。接触式密封可以使滚动体免受污染物和水分的侵害。对于较高转速,可采用最小间隙密封。这种轴承有外圈带安装孔和外圈不带安装孔两种类型,带安装孔的轴承…
bearing@hyzcgroup.com
18837917076
- 产品详情
双列角接触球轴承是用于丝杠驱动轴承布置的精密轴承,根据不同系列,他们可以承受径向力以及一个或两个方向的轴向力。接触式密封可以使滚动体免受污染物和水分的侵害。对于较高转速,可采用最小间隙密封。
这种轴承有外圈带安装孔和外圈不带安装孔两种类型,带安装孔的轴承通过螺栓直接安装在相邻结构上,由于没有定位孔德要求或者不需要加工轴承相匹配的轴承端盖,这种解决方案特别经济。
对于某些应用领域,较低精度的轴承布置通常就足够了,因此我们也提供较大公差的轴承。
ZKLF(N)系列双列角接触球轴承

| 轴承型号 | 重量 | 尺寸 | 轴向基本额定载荷 | 极限转速 | 固定螺栓 | 拧紧力矩 | 摩擦力矩 | |||||||||||
| KG | d | D | B | d1 | r | r1 | J | d2 | b | I | 动Cr KN | 静Cor KN | 脂rpm | 规格 | 数量 | Nm | Nm | |
| ZKLF1255-2RS | 0.37 | 12 | 55 | 25 | 25 | 0.3 | 0.6 | 42 | 6.8 | 3 | 17 | 16.9 | 24.7 | 3800 | M6 | 3 | 8 | 0.16 |
| ZKLF1255-2Z | 7600 | 0.08 | ||||||||||||||||
| ZKLF1560-2RS | 0.43 | 15 | 60 | 25 | 28 | 0.3 | 0.6 | 46 | 6.8 | 3 | 17 | 17.9 | 28 | 3500 | M6 | 3 | 10 | 0.2 |
| ZKLF1560-2Z | 7000 | 0.1 | ||||||||||||||||
| ZKLF1762-2RS | 0.45 | 17 | 62 | 25 | 30 | 0.3 | 0.6 | 48 | 6.8 | 3 | 17 | 18.8 | 31 | 3300 | M6 | 3 | 15 | 0.24 |
| ZKLF1762-2Z | 6600 | 0.12 | ||||||||||||||||
| ZKLF2068-2RS | 0.61 | 20 | 68 | 28 | 34.5 | 0.3 | 0.6 | 53 | 6.8 | 3 | 19 | 26 | 47 | 3000 | M6 | 4 | 18 | 0.3 |
| ZKLF2068-2Z | 5400 | 0.15 | ||||||||||||||||
| ZKLF2575-2RS | 0.72 | 25` | 75 | 28 | 40.5 | 0.3 | 0.6 | 58 | 6.8 | 3 | 19 | 27.5 | 55 | 2600 | M6 | 4 | 25 | 0.4 |
| ZKLF2575-2Z | 4700 | 0.2 | ||||||||||||||||
| ZKLF3080-2RS | 0.78 | 30 | 80 | 28 | 45.5 | 0.3 | 0.6 | 63 | 6.8 | 3 | 19 | 29 | 64 | 2200 | M6 | 6 | 32 | 0.5 |
| ZKLF3080-2Z | 4300 | 0.25 | ||||||||||||||||
| ZKLF30100-2RS | 1.63 | 30 | 100 | 38 | 51 | 0.3 | 0.6 | 80 | 8.8 | 3 | 30 | 59 | 108 | 2100 | M8 | 8 | 65 | 0.8 |
| ZKLF30100-Z | 4000 | 0.4 | ||||||||||||||||
| ZKLF3590-2RS | 1.13 | 35 | 90 | 34 | 52 | 0.3 | 0.6 | 75 | 8.8 | 3 | 25 | 41 | 89 | 2000 | M8 | 4 | 40 | 0.6 |
| ZKLF3590-2Z | 3800 | 0.3 | ||||||||||||||||
| ZKLF40100-2RS | 1.46 | 40 | 100 | 34 | 58 | 0.3 | 0.6 | 80 | 8.8 | 3 | 25 | 43 | 101 | 1800 | M8 | 4 | 55 | 0.7 |
| ZKLF40100-2Z | 3300 | 0.35 | ||||||||||||||||
| ZKLF40115-2RS | 2.2 | 40 | 115 | 46 | 65 | 0.6 | 0.6 | 94 | 8.8 | 3 | 36 | 72 | 149 | 1600 | M8 | 12 | 110 | 1.3 |
| ZKLF40115-2Z | 3100 | 0.65 | ||||||||||||||||
| ZKLF50115-2RS | 1.86 | 50 | 115 | 34 | 72 | 0.3 | 0.6 | 94 | 8.8 | 3 | 25 | 46.5 | 126 | 1500 | M8 | 6 | 85 | 0.9 |
| ZKLF50115-2Z | 3000 | 0.45 | ||||||||||||||||
| ZKLF50140-2RS | 4.7 | 50 | 140 | 54 | 80 | 0.6 | 0.6 | 113 | 11 | 3 | 45 | 113 | 250 | 1200 | M10 | 6 | 150 | 2.6 |
| ZKLF50140-2Z | 2500 | 1.3 | ||||||||||||||||
| ZKLF60145-2Z | 4.3 | 60 | 145 | 45 | 85 | 0.6 | 0.6 | 120 | 8.8 | 3 | 35 | 84 | 214 | 3000 | M8 | 8 | 100 | 1 |
| ZKLF70155-2Z | 4.9 | 70 | 155 | 45 | 85 | 0.6 | 0.6 | 130 | 8.8 | 3 | 35 | 88 | 241 | 2800 | M8 | 8 | 130 | 1.2 |
| ZKLF80165-2Z | 5.3 | 80 | 165 | 45 | 105 | 0.6 | 0.6 | 140 | 8.8 | 3 | 35 | 91 | 265 | 2700 | M8 | 8 | 160 | 1.4 |
| ZKLF90190-2Z | 8.7 | 90 | 190 | 55 | 120 | 0.6 | 0.6 | 165 | 11 | 3 | 45 | 135 | 395 | 2300 | M10 | 8 | 200 | 2.3 |
| ZKLF100200-2Z | 9.3 | 100 | 200 | 55 | 132 | 0.6 | 0.6 | 175 | 11 | 3 | 45 | 140 | 435 | 2150 | M10 | 8 | 250 | 2.6 |

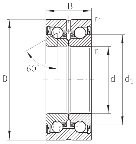
| 轴承型号 | 重量 | 尺寸 | 轴向基本额定载荷 | 极限转速 | 拧紧力矩 | 摩擦力矩 | ||||||
| KG | d | D | B | d1 | r | r1 | 动Cr KN | 静Cor KN | 脂rpm | Nm | Nm | |
| ZKLN0619-2Z | 0.02 | 6 | 19 | 12 | 12 | 0.3 | 0.3 | 4.9 | 6.1 | 14000 | 1 | 0.01 |
| ZKLN0624-2RS | 0.03 | 6 | 24 | 15 | 14 | 0.3 | 0.6 | 6.9 | 8.5 | 6800 | 2 | 0.04 |
| ZKLN0624-2Z | 12000 | 0.02 | ||||||||||
| ZKLN0832-2RS | 0.09 | 8 | 32 | 20 | 19 | 0.3 | 0.6 | 12.5 | 16.3 | 5100 | 4 | 0.08 |
| ZKLN0832-2Z | 9500 | 0.04 | ||||||||||
| ZKLN1034-2RS | 0.1 | 10 | 34 | 20 | 21 | 0.3 | 0.6 | 13.4 | 18.8 | 4600 | 6 | 0.12 |
| ZKLN1034-2Z | 8600 | 0.06 | ||||||||||
| ZKLN1242-2RS | 0.2 | 12 | 42 | 25 | 25 | 0.3 | 0.6 | 16.9 | 24.7 | 3800 | 8 | 0.16 |
| ZKLN1242-2Z | 7600 | 0.08 | ||||||||||
| ZKLN1545-2RS | 0.21 | 15 | 45 | 25 | 28 | 0.3 | 0.6 | 17.9 | 28 | 3500 | 10 | 0.2 |
| ZKLN1545-2Z | 7000 | 0.1 | ||||||||||
| ZKLN1747-2RS | 0.22 | 17 | 47 | 25 | 30 | 0.3 | 0.6 | 18.8 | 31 | 3300 | 15 | 0.24 |
| ZKLN1747-2Z | 6600 | 0.1 | ||||||||||
| ZKLN2052-2RS | 0.31 | 20 | 52 | 28 | 34.5 | 0.3 | 0.6 | 26 | 47 | 3000 | 18 | 0.3 |
| ZKLN2052-2Z | 5400 | 0.15 | ||||||||||
| ZKLN2557-2RS | 0.34 | 25 | 57 | 28 | 40.5 | 0.3 | 0.6 | 27.5 | 55 | 2600 | 25 | 0.4 |
| ZKLN2557-2Z | 4700 | 0.2 | ||||||||||
| ZKLN3062-2RS | 0.39 | 30 | 62 | 28 | 45.5 | 0.3 | 0.6 | 29 | 64 | 2200 | 32 | 0.5 |
| ZKLN3062-2Z | 4300 | 0.25 | ||||||||||
| ZKLN3072-2RS | 0.72 | 30 | 72 | 38 | 51 | 0.3 | 0.6 | 59 | 108 | 2100 | 65 | 0.8 |
| ZKLN3072-2Z | 4000 | 0.4 | ||||||||||
| ZKLN3572-2RS | 0.51 | 35 | 72 | 34 | 52 | 0.3 | 0.6 | 41 | 89 | 2000 | 40 | 0.6 |
| ZKLN3572-2Z | 3800 | 0.3 | ||||||||||
| ZKLN4075-2RS | 0.61 | 40 | 75 | 34 | 58 | 0.3 | 0.6 | 43 | 101 | 1800 | 55 | 0.7 |
| ZKLN4075-2Z | 3300 | 0.35 | ||||||||||
| ZKLN4090-2RS | 0.95 | 40 | 90 | 46 | 65 | 0.6 | 0.6 | 72 | 149 | 1600 | 110 | 1.3 |
| ZKLN4090-2Z | 3100 | 0.65 | ||||||||||
| ZKLN5090-2RS | 0.88 | 50 | 90 | 34 | 72 | 0.3 | 0.6 | 46.5 | 126 | 1500 | 85 | 0.9 |
| ZKLN5090-2Z | 3000 | 0.45 | ||||||||||
| ZKLN50110-2RS | 2.5 | 50 | 110 | 54 | 80 | 0.6 | 0.6 | 113 | 250 | 1200 | 150 | 2.6 |
| ZKLN50110-2Z | 2500 | 1.3 | ||||||||||
| ZKLN60110-2Z | 2.2 | 60 | 110 | 45 | 85 | 0.6 | 0.6 | 84 | 214 | 3000 | 100 | 1 |
| ZKLN70120-2Z | 2.4 | 70 | 120 | 45 | 95 | 0.6 | 0.6 | 88 | 241 | 2800 | 130 | 1.2 |
| ZKLN80130-2Z | 2.7 | 80 | 130 | 45 | 105 | 0.6 | 0.6 | 91 | 265 | 2700 | 160 | 1.4 |
| ZKLN90150-2Z | 4.5 | 90 | 150 | 55 | 120 | 0.6 | 0.6 | 135 | 395 | 2300 | 200 | 2.3 |
| ZKLN100160-2Z | 4.9 | 100 | 160 | 55 | 132 | 0.6 | 0.6 | 140 | 435 | 2150 | 250 | 2.6 |
- 在线询价





