请留下您宝贵的信息
  • 400-0379-586

产品中心

交叉滚子转盘轴承(HXU系列)


  • 精密转盘轴承依照滚动体结构,分为交叉滚子转盘轴承与四点接触球转盘轴承两个系列,依照齿轮形式,可分为不带齿圈、带内齿、带外齿三个类型,可以安装密封、配注油油杯、小范围调整游隙力矩大小、精度能达到P5/P4/P2等级,以适应各种类型的工况需求。我司支持外径20mm到外…

bearing@hyzcgroup.com

18837917076

  • 产品详情


精密转盘轴承依照滚动体结构,分为交叉滚子转盘轴承与四点接触球转盘轴承两个系列,依照齿轮形式,可分为不带齿圈、带内齿、带外齿三个类型,可以安装密封、配注油油杯、小范围调整游隙力矩大小、精度能达到P5/P4/P2等级,以适应各种类型的工况需求。

我司支持外径20mm到外径2000mm范围内,各种类型高精度轴承非标定制化设计加工,常年与多家高等院校、机械机床公司、机械研究所、科研机构合作,进行重大设备的联合开发,协助客户试样与批量生产。

转盘轴承可以同时承受较大径向负荷、轴向负荷和倾覆力矩等综合载荷,集支承、旋转、传动、固定等多种功能与一体,且结构紧凑、安装简便、维护方便,通常用于重载低速的场合,例如起重机械、挖掘机、回转台、风力发电机、天文望远镜和坦克炮塔等装置,应用十分广泛。

交叉滚子转盘轴承(HXU系列)

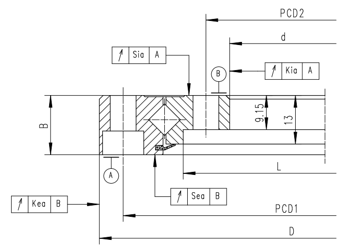
A.png

A

B.png

B

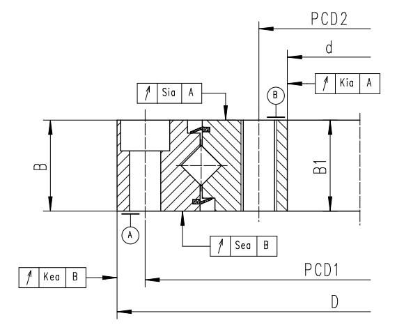
C.png

C

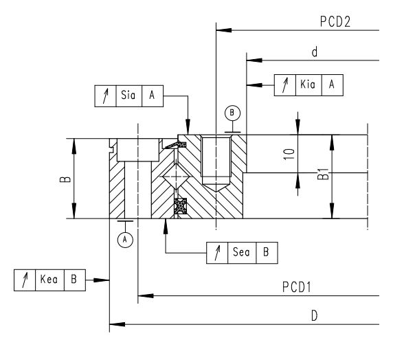
D.png

D

E.png

E

F.png

F

G.png

G

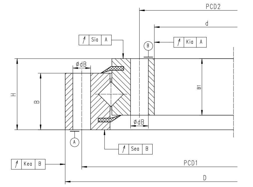
H.png

H


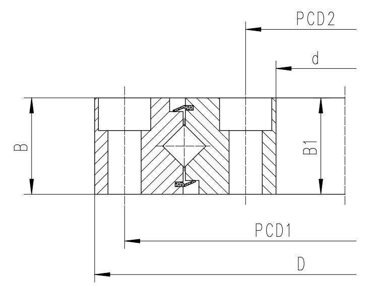
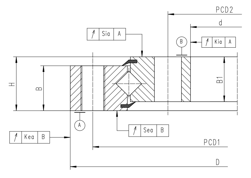
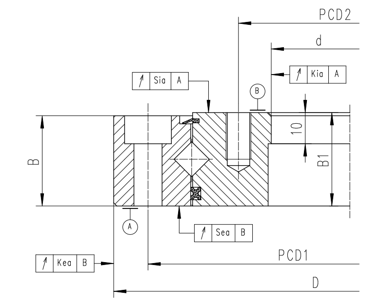
型号基本尺寸游隙(预载)对应图号安装尺寸基本额定负荷
外圈内圈轴向径向
外径D内径d外圈高度B内圈高度B1装配高H孔中心距PCD1安装孔孔中心距PCD2安装孔动态Ca/KN静态Coa/KN动态Cr/KN静态Cor/KN
XU0500771124021220.005~0.008A976-φ6.6沉孔φ11深5.5566-M8深922.42914.314.2
XU0600941405725260.005~0.008A1206-φ9沉孔φ15深6706-M8深932.537.520.718.4
XU060111145.7976.215.87130.005~0.02B133.18-φ6.9沉孔φ11深6.3588.98-φ6.93644.522.821.5
XU0801201706929300.005~0.008C1486-φ9沉孔φ15深9906-M8深9565335.526
XU080149196.85101.622.2222.220.005~0.02D177.816-φ6.9沉孔φ11深6.35115.816-φ6.9沉孔φ11深6.3563664032.5
XU120179234124.53030350~0.02H21412-φ11144.512-φ111181797588
XU120222300140303036F27012-M1617012-φ18133275135173
XU1602603291914141460~0.02H30520-φ1421520-φ14212350135173
XU080264311215.925.425.40~0.02E295.312-φ8.7沉孔φ13.7深8.6231.812-φ8.7沉孔φ13.7深8.6851175457
XU1604054743364141460~0.02H45030-φ1436030-φ14270550172270
XU08043048038026260~0.02G46220-φ9沉孔φ15深939820-M1011028070138
XU3005156463847979860~0.03H59818-φ2643218-φ267201370455670


  • 相关产品

交叉滚子转盘轴承(HXU系列)

  • 在线询价
声明 洛阳五福彩票522cc 网站地图