CSD型谐波减速器轴承
- 外圈和内圈均为整体结构,外径尺寸和CSG型相同,比CSG型轴承具有更高的刚性,主要应用在CSD系列减速器输出部位。
bearing@hyzcgroup.com
18837917076
- 产品详情
谐波减速器轴承包括刚性轴承和柔性轴承两大类型,刚性轴承包含四种系列,CSG(CSF)系列、CSD系列、SHG(SHF)系列、SHD系列,其命名方式采用减速器的命名;柔性轴承的命名为HYR。
谐波减速器用刚性轴承为交叉圆柱滚子结构,根据其使用场合分为外圈分体、内圈整体,外圈、内圈都是整体两大类;滚动体为圆柱滚子,互成90°垂直排列在V型滚道中,这种结构的轴承可同时承受轴向载荷、径向载荷和倾覆力矩等各个方向的载荷,轴承具有高精度、高刚性以及复合承载能力。
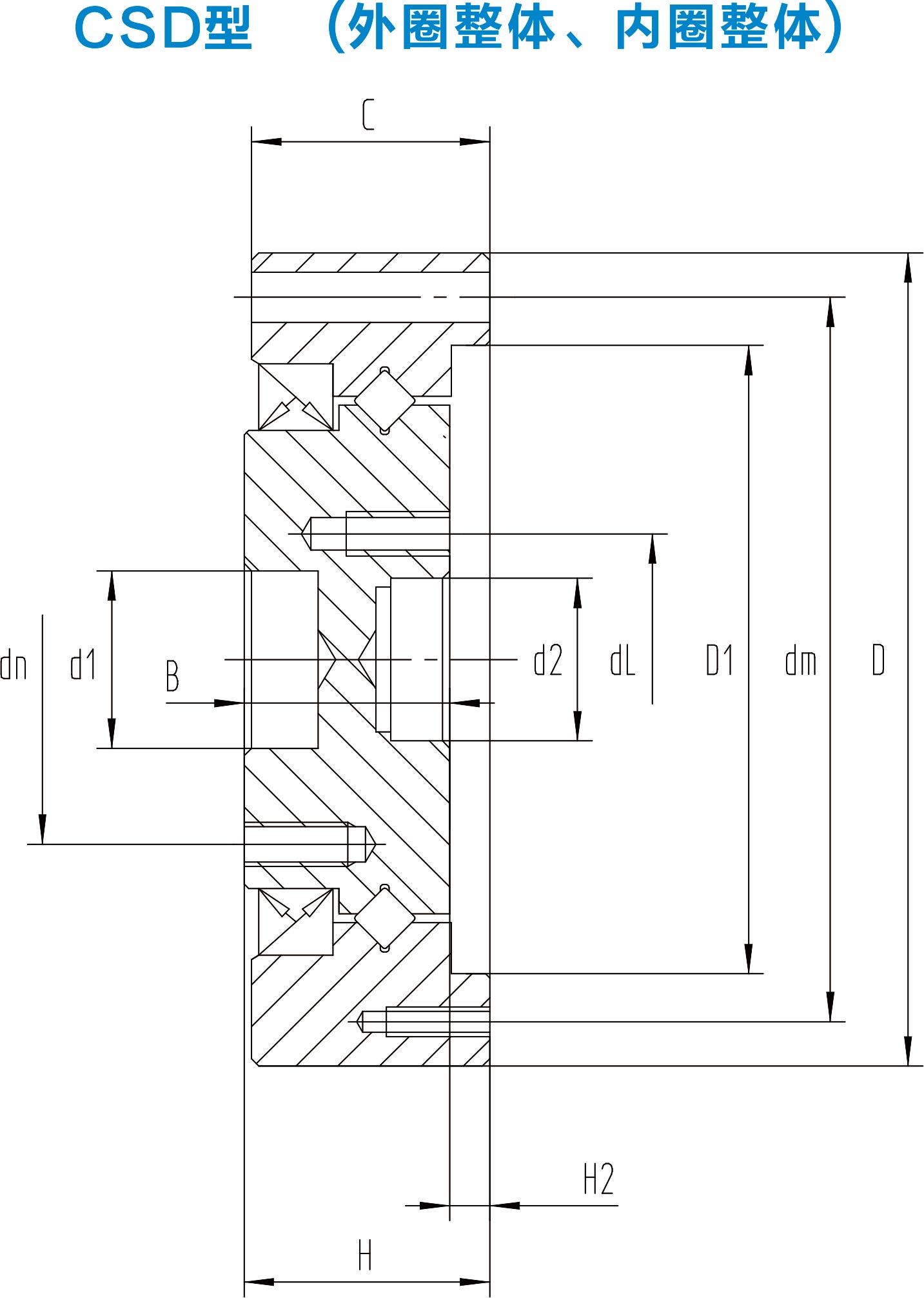
CSD型(外圈整体、内圈整体)
外圈和内圈均为整体结构,外径尺寸和CSG型相同,比CSG型轴承具有更高的刚性,主要应用在CSD系列减速器输出部位。


| 轴承型号 | 外形尺寸 | 外圈安装孔 | 内圈安装孔 | 基本额定载荷 | 重量 | |||||||||||||
| d1 | d2 | D | H | C | B | H2 | D1 | 中心径dm | 安装孔尺寸1 | 安装孔尺寸2 (密封反面) | 中心径dn | 安装孔尺寸1 (密封正面) | 中心径dl | 安装孔尺寸2(密封反面) | Cr | Cor | KG | |
| 单位:mm | KN | KN | ||||||||||||||||
| CSD-14 | 12 | 11 | 55 | 16.6 | 16.1 | 13.9 | 2.7 | 42.5 | 49 | 6-φ3.5 | 3-M2(丝深5) | 25 | 10-M3(丝深7) | 17 | 6-M3(丝深7) | 4.7 | 6.7 | 0.24 |
| CSD-17 | 14 | 11 | 62 | 16.6 | 16.1 | 13.9 | 2.7 | 49.7 | 56 | 10-φ3.5 | 5-M2(丝深5) | 27 | 8-M5(丝深8) | 19.5 | 8-M4(丝深8) | 5.3 | 7.5 | 0.3 |
| CSD-20 | 18 | 16 | 70 | 18.3 | 17.8 | 15.6 | 2.7 | 57 | 64 | 12-φ3.5 | 4-M2(丝深5) | 34 | 8-M6(丝深9) | 24 | 8-M4(丝深8) | 5.8 | 9 | 0.42 |
| CSD-25 | 24 | 20 | 85 | 23.4 | 22.9 | 20 | 3.4 | 73 | 79 | 18-φ3.5 | 6-M2(丝深5) | 42 | 8-M8(丝深12) | 30 | 8-M5(丝深9) | 9.6 | 15.1 | 0.8 |
| CSD-32 | 32 | 30 | 112 | 24.5 | 23.5 | 20.9 | 3.6 | 95.3 | 104 | 18-φ4.5 | 6-M3(丝深7) | 57 | 10-M8(丝深12) | 41 | 6-M6(丝深11) | 15 | 25 | 1.4 |
| CSD-40 | 36 | 32 | 126 | 29.1 | 28.1 | 24.6 | 4.5 | 109.6 | 117.5 | 18-φ5.5 | 6-M3(丝深8) | 72 | 10-M10(丝深15) | 48 | 6-M8(丝深11) | 21.3 | 36.5 | 2.1 |
| CSD-50 | 48 | 44 | 157 | 34 | 33 | 29.4 | 4.6 | 138 | 147 | 22-φ6.6 | 4-M3(丝深8) | 88 | 10-M12(丝深18) | 62 | 6-M10(丝深18) | 34.8 | 60.2 | 3.8 |
- 在线询价





