请留下您宝贵的信息
  • 400-0379-586

产品中心

滚针/推力滚子轴承-ZARF(N)系列


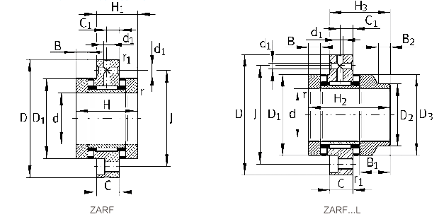
  • 滚针/推力圆柱滚子轴承包括一个加厚的外圈、滚针保持器组件、滚针内圈、两个推力圆柱滚子保持器组件和两个推理轴圈,相当于一套滚针轴承和两套推力圆柱滚子轴承的组合轴承,两个推力圆柱滚子轴承中心和滚针轴承中心重合。

bearing@hyzcgroup.com

18837917076

  • 产品详情


随着机床装备技术的发展,高精度、高效率成为当前机械行业的重要技术特点,机床滚珠丝杠支承轴承逐渐放弃传统的配对角接触球的结构模式,转而采用滚针/推力圆柱滚子轴承的结构形式。

滚针/推力圆柱滚子轴承采用外圈加厚的滚针轴承和两列推力圆柱滚子轴承的组合结构,可以承受更大的径向/轴向载荷,具备更高的径向/轴向刚性,同时该系列轴承轴向跳动精度可达1μm,特别符合当前机械加工行业所要求的高精度,高承载,高效率的特点。

产品特性

滚针/推力圆柱滚子轴承包括一个加厚的外圈、滚针保持器组件、滚针内圈、两个推力圆柱滚子保持器组件和两个推理轴圈,相当于一套滚针轴承和两套推力圆柱滚子轴承的组合轴承,两个推力圆柱滚子轴承中心和滚针轴承中心重合。

滚针/推力圆柱滚子轴承可以承受两个方向的轴向力、径向力和倾覆力矩。

滚针/推力圆柱滚子轴承按照外圈安装方式的差异可以分为螺栓安装和非螺栓安装两个类型系列。


轴径
    mm
公称型号重量g尺寸基本额定载荷极限转速拧紧
    力矩
    Nm
摩擦
    力矩
    Nm
dDHH1H2H3CC1D1D2D3BB1B2rr1d1J径向轴向油rpm脂rpm
动Cr KN静Cor   KN动Cr   KN静Cor   KN
15ZARF 1560(L)TN(450)42015604026.05339.014.083524348.021.0110.30.63.246.013.017.524.953.085002200100.35
17ZARF 1762(L)TN(520)49017624327.55741.514.083828389.523.5110.30.63.248.014.019.926.057.078002100120.4
20ZARF 2068(L)TN(610)56020684629.06043.014.0842304010.024.0110.30.63.253.014.120.627.477.070002000180.5

ZARF 2080(L)TN(1220)110020806038.07553.018.01052405013.028.0110.30.63.263.022.636.064.088.060001500381.3
25ZARF 2575(L)TN(840)78025755033.06548.018.01047364510.025.0110.30.63.258.024.839.830.593.560001900250.55

ZARF 2590(L)TN(1750)160025906038.07553.018.01062486012.027.0110.30.63.273.024.841.480.0199.049001400551.6
30ZARF 3080(L)TN(900)85030805033.06548.018.01052405010.025.0110.30.63.263.024.341.033.9110.055001800320.65

ZARF 30105(L)TN(2150)1950301056641.08257.018.01068526615.031.0120.30.63.285.025.945.875.7221.044001300752.1
35ZARF 3590(L)TN(1250)112035905435.07051.018.01060455811.027.0120.30.63.273.026.047.045.9105.448001700420.9

ZARF 35110(L)TN(1850)1600351106641.08257.018.01073607314.030.0120.30.63.288.028.052.778.2237.6400012501002.3
40ZARF 40100(L)TN(1450)1350401005434.07051.018.01065506311.027.0120.30.63.280.030.458.651.7180.144001600551

ZARF 40115(L)TN(3000)2700401157547.59365.522.512.578607816.034.0120.30.66.094.040.972.584.2269.2370012001202.5
45ZARF 45105(L)TN(1850)1700451056040.07555.022.512.570566811.526.5120.30.66.085.038.074.081.0177.040001500651.2

ZARF 45130(L)TN(4300)3900451308251.010342.022.512.590708817.538.5140.30.66.0105.042.578.8115.9363.0330011501503.5
50ZARF 50115(L)TN(2450)2100501156040.07858.022.512.578607811.529.5120.30.66.094.042.678.844.2158.436001200852.2

ZARF 50140(L)TN(4650)4200501408251.010372.022.512.595759317.538.5140.30.66.0113.045.588.1119.3387.2310011001803.8
55ZARF 55145(L)TN(5000)4500551458251.010372.022.512.5100809817.538.5140.30.66.0118.049.0109.9126.0369.0290010002204
60ZARF 60150(L)TN(5350)4700601508251.010372.022.512.51059010517.538.5160.30.66.0123.054.9118.6141.0505.027009502504.2
65ZARF 65155(L)TN(5720)5120651558251.010372.022.512.51109010817.538.5160.30.66.0128.054.2100.8126.2441.426009002704
70ZARF 70160(L)TN(6000)5200701608251.010372.022.512.511510011517.538.5160.30.66.0133.069.6143.5143.0532.024008003304.8
75ZARF 75185(L)TN(10610)94007518510062.012587.027.015.013511513521.046.0160.31.06.0155.095.0193.0233.0769.021007005808
90ZARF 90210(L)TN(15100)137009021011069.513594.532.017.516013015822.547.5160.31.08.0180.0101.0225.6320.01172.0180070096010.5


图纸.jpg

轴径
    mm
公称型号重量g尺寸













基本额定载荷极限转速拧紧
    力矩
    Nm
摩擦

    

力矩

    Nm
dDHH1H2H3CD1D2D3BB1B2rr1径向轴承油rpm脂rpm
动Cr KN静Cor   KN动Cr   KN静Cor   KN
15ZARN 1545(L)TN(370)34015454028.05341.0163524348.021.0110.30.614.319.623.564.385002200100.35
17ZARN 1747(L)TN(410)37017474329.55743.5163828389.523.5110.30.615.422.124.369.378002100120.4
20ZARN 2052(L)TN(460)41020524631.06045.01642304010.024.0110.30.614.120.627.477.070002000180.5

ZARN 2062(L)TN(990)87020626040.07555.02052405013.028.0110.30.622.638.064.0141.060001500381.3
25ZARN 2557(L)TN(590)53025575035.06550.02047364510.025.0110.30.624.839.830.593.560001900250.55

ZARN 2572(L)TN(1320)117025726040.07555.02062486012.027.0110.30.624.841.480.0199.049001400551.6
30ZARN 3062(L)TN(750)60030625035.06550.02052405010.025.0110.30.624.341.539.0101.055001800320.65

ZARN 3080(L)TN(1700)150030806643.08259.02068526615.031.0120.30.625.945.875.7221.044001300752.1
35ZARN 3570(L)TN(930)80035705437.07053.02060455811.027.0120.30.626.047.045.9105.448001700420.9

ZARN 3585(L)TN(1800)160035856643.08259.02073607314.030.0120.30.628.052.778.2237.6400012501002.3
40ZARN 4075(L)TN(1000)90040755437.07053.02065506311.027.0120.30.627.553.059.0163.0400016005001

ZARN 4090(L)TN(2390)209040907550.09368.02578607816.034.0120.30.640.972.584.2269.0370012001202.5
45ZARN 4580(L)TN(1270)112045806042.57557.52570506811.526.5120.30.638.074.061.0177.040001500651.2

ZARN 45105(L)TN(3420)3020451058253.510374.52590568817.538.5140.30.640.082.0154.0405.0330011501503.5
50ZARN 5090(L)TN(1780)143050906053.57860.52578707811.529.5120.30.640.082.090.0300.036001200852.2

ZARN 50110(L)TN(3750)3300501108253.510374.52595609317.538.5140.30.645.488.1119.3387.0310011001803.8
55ZARN 55115(L)TN(4000)3500551158253.510374.525100759817.538.5140.30.649.0109.1126.0369.0290010002204
60ZARN 60120(L)TN(4850)3700601208253.510374.5251058010517.538.5160.30.654.9118.6141.0505.027009502504.2
65ZARN 65125(L)TN(4600)4000651258253.510374.5251109010817.538.5160.30.654.2100.8126.2441.426009002704
70ZARN 70130(L)TN(4650)4100701308253.510374.52511510011517.538.5160.30.669.6143.5143.0532.024008003304.8
75ZARN 75155(L)TN(9100)79007515510065.012590.03013511513521.046.0160.31.095.0193.0290.0890.021007005808
90ZARN 90180(L)TN(13200)118009018011072.513594.53516013015822.547.5160.31.0101.0256.0320.01172.0180070098010.5

1、表中所列基本额定载荷、极限转速和重量,仅供选择参考用

2、轴承的保持架如有塑料制成,在型号后加TN,允许工作温度:120℃连续,180℃短期。

  • 相关产品

滚针/推力滚子轴承-ZARF(N)系列

  • 在线询价
声明 洛阳五福彩票522cc 网站地图